Chapter 2 P2 Circuit Optimization¶
约 635 个字 预计阅读时间 3 分钟
Canonical Forms 规范型¶
Two common Canonical Forms:
- Sum of Minterms (SOM)
- Product of Maxterms (POM)
SOM 和 POM 是不化简的,注意和标准型的区别
【Example】:
- \(F =\overline{X}\overline{Y} +X\overline{Y} = \sum_{m}(0,2)\) SOM
- \(F =(X+\overline{Y})(\overline{X}+\overline{Y}) = \prod_{m}(1,3)\) POM
特别重要公式: \(x+yz = (x+y)(x+z)\)
Standard Forms 标准型¶
将规范型化至最简便是标准型
- Standard Sum-of-Products (SOP) form:
- \(ABC+\overline{A}\overline{B}C+B\)
- Standard Product-of-Sums (POS) form:
- \((A+B)(A+\overline{B}+\overline{C})C\)
注意!
\((AB+C)(A+C)、AB\overline{C}+AC(A+B)\) 都不是标准型!!
思考
Relation between SOM and POM? SOM and SOP?
Cost Criteria¶
- Literal cost(L)
- Gate input cost(G)
- Gate input cost with NOTs(GN
- 数非门的时候同一个字母不用数两次,例如下图第三个例子,\(\overline{B}\) 只数了一次,所以GN=G+3
K-map¶
Don't Care
不定项,在卡诺图中用X表示,在最小项之和中用 \(\sum d(...)\) 表示,可以随便定义它的值
Four variables odd function has ___ “1” squares in its corresponding K-Map.
8 , 四个变量,说明共有16种取值,有一半被1填上(错位填入K-Map)
蕴含项、主蕴含项与基本主蕴含项¶
- 在卡诺图中,一个蕴含项 (Implicant) 就是任意一个包含 \(2^n\) 个 1 的单元;
- 而主蕴含项 (Prime Implicant) 则是在卡诺图中的 极大 蕴含项;
- 对于存在 Dont'cares 的 K-map,如果我们关注的是 1,那我们积极地将他们当作 1 来处理,反之亦然;
- 但是单独的 X 不会被认为是主蕴含项;
- 基本主蕴含项 (Essential Prime Implicant) 是包含只被它覆盖的 1 的主蕴含项;
对于任意函数,主蕴含项一定存在,但是基本主蕴含项不一定存在
上图中,共有三个主蕴含项,其中两个为基本主蕴含项,一个为冗余(Redundant)主蕴含项
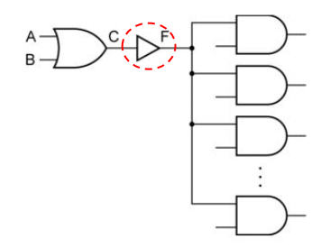
BUFFER 缓冲器¶
功能函数: F = X
An electronic amplifier used to improve circuit voltage levels and speed.
当一个输入需要同时接入多个逻辑门的时候使用:
3-state Buffer (三态门)¶
当使能信号EN为0时,输出高阻Z。
Truth Table:
| EN | IN | OUT |
|---|---|---|
| 0 | x | Hi-Z |
| 1 | 0 | 0 |
| 1 | 1 | 1 |
Derived use¶
- A - AND
- O - OR
- I - Inverter
【Example】:
2 - 2 AOI-> \(F=\overline{WX+YZ}\)2 - 2 - 1 AO-> \(F= WX+YZ+V\)2 - 2 AI-> \(F=\overline{(W+X)(Y+Z)}\)








