Chapter 6 Registers and Register Transfers¶
约 1130 个字 预计阅读时间 6 分钟
Register 寄存器¶
- 一个寄存器既能存储值(store)又能读取新的值(load)
- 要同时实现这两个功能,我们使用变量
load来控制寄存器选择store还是load的行为- load = 1 : load the values on the data inputs
- load = 0 : Store the values in the register
可行的方法之一是将Enable信号由 \(Clock\) 变为 \(\overline{load}+clock\) ,这样当 load = 0 时,使能信号时钟为1,使得触发器中的slave锁存器无法写入数据,达到 store 的功能。
Clock Skew
然而这个方案存在缺陷,在同步时序电路中,由于clock信号由整个电路共用,如果直接把load与clock以某种方式相连的话,clock到达该电路(或者其它电路)就会有不可避免的传播延迟,即时钟偏移(clock skew)。
理解Clock Skew后,我们可以转而采取另一种方案:通过load来选择触发器的输入是当前的input还是当前的output
Register Transfer Operations¶
- Elementary Operations: load, count, shift, add, bitwise "OR", etc.
- Elementary operations called microoperations
- Register Transfer Language 缩写 RTL
Register Transfer Structure¶
Multiplexer-Based Transfers 基于MUX实现传输¶
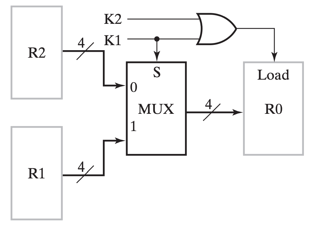
对于一个单一寄存器,它的输入可能有多种来源,例如其它寄存器,又或者是其他操作的结果。总而言之,它的输入很可能是不唯一的,而同一时刻我们只能接受一个来源的输入。因此,我们需要使用 MUX 来对输入进行选择。
Multiplexer Bus 基于MUX总线实现传输¶
上述实现要求每个Register都有其对应的MUX,这将大大增加电路的开销。因此我们不妨试想一个所有Register连接到一条线路的情况,这条线路也被称为总线(bus)
接下来进行对比,以总线实现为主体,与 MUX 实现对比:
- 优势:
- 电路更精简,成本更低,随着寄存器增加这个特点更加明显;
- 劣势:
- 同一时刻内总线只能传输一个数据,即只有一个数据源(source);
- 同一时钟周期内只有一个数据能传输到别的地方,例如交换操作就需要至少两个时钟才能实现;
- 同一时刻内总线只能传输一个数据,即只有一个数据源(source);
而因为这些特点,我们需要评估我们的需求,选择合适的结构来实现。
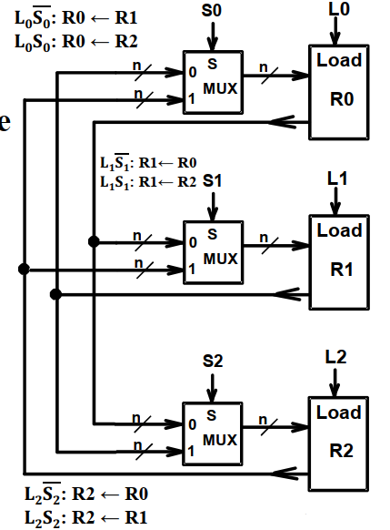
Mutiplexer Bus 共用MUX¶
上图将所有Register存储的值接入一个共用的MUX中,通过 \(S_1、 S_0\) 控制输出哪组值,再通过寄存器各自的load控制是否输入到该寄存器中
Three-State Bus¶
三态门输出高阻,很适合当bus
Microoperations 实现¶
Add and Substract 加减法¶
Logic 逻辑运算¶
Wow,so simply!
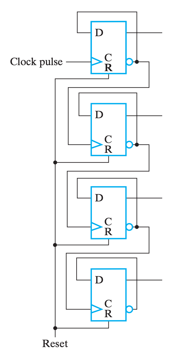
Shift 移位运算¶
- 上图Serial指串行输入,每过一个时钟周期,上一个寄存器的值会转移到下一个寄存器
- input(\(D_{1,2,3,4}\))指并行输入,上图电路同时支持串行输入和并行输入,可以通过Shift和load加以控制
| Shift | Load | Operation |
|---|---|---|
| 0 | 0 | No Change |
| 0 | 1 | Load input |
| 1 | X | Shift Down |
此外,通过在每个Flipflop前都加一个MUX,可以实现双向移位(简单易懂耶)
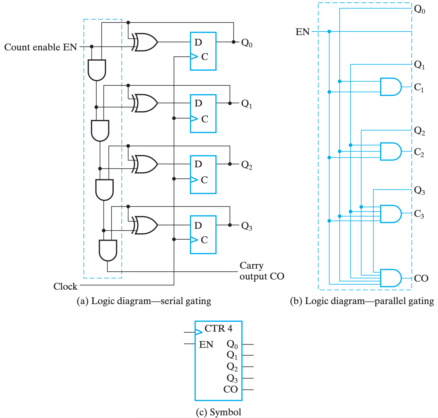
Counter 计数器¶
- Asynchronous Counter (Ripple Counter)
- Slower
- Simple
- Cost is low
- Synchronous Counter
- Faster
- Complex
- Cost is high
Ripple Counter 行波计数器¶
也是数字逻辑设计这门课程唯一一个异步时序电路
Easy to understand!
Synchronous Counter 同步计数器¶
余N计数器¶
通过将Counter的最大输出的与门作为的Load信号传回Counter,实现每次计数到N-1时重置计数
Tip
上图是一个余7计数器,因为每次Q为 0110 (6) 时,将0读入



















