Chapter 5 Digital Hardware Implementation¶
约 960 个字 预计阅读时间 5 分钟
Programming technologies 可编程技术¶
直接更改硬件布线来修改电路功能被称为硬编程,而可编程技术让我们能够在不直接更改硬件布线的情况下,利用软件编程来间接更改硬件布线。硬编程的操作者是设计制造者(manufacturer),而软编程的操作者是用户(user)。
分为三种types:
- Control connections 控制连接来实现 其中如下三个技术不属于可重(reprogrammable)编程技术,为永久编程技术
- Mask programming 掩膜编程
- Fuse 熔丝
- Anti-fuse Fuse的反操作,通过高电压联通部分电路
- Control transistor switching 控制晶体管开关实现
- Build lookup tables 使用查找表
Control connections 控制实体电路通断¶
- Mask programming 掩模编程(较昂贵)
- Fuse 熔丝,可以控制是否要断掉(一次性)
- Antifuse 与熔丝相反,可通过控制电压来控制是否接通(体积小,成本高)
Control transistor switching 控制晶体管控制极¶
当控制极输入1时,通;输入0时,断。 特点:
- Erasable(可重编程)
- Electrically erasable
- Flash (Flash memory,可用于u盘)
Build Lookup Tables(LUT) 查表法¶
采用多路选择器,当需要改变逻辑关系的时候不需要改变器件
Programmable Logic Device 常见的可编程技术¶
- 只读内存Read Only memory(ROM) Fixed AND & Programmable OR
- 可编程阵列逻辑 Programmable Array Logic(PAL) Programmable AND & Fixed OR
- 可编程逻辑阵列Programmable Logic Array Programmable AND & Programmable OR
- Complex Programmable Logic Device (CPLD) /FieldProgrammable Gate Array (FPGA)
其中,前三种是通过Control connections来控制,只能编程一次,属于永久编程技术,最后一种使用LUT控制,属于可重编程技术。
解读:
- 对于ROM:将所有最小项译码出来,但是最终可以只让其中两项或出来
- 对于PAL:OR的数量是死的,但是可以在AND中加项或是减项
- 对于PLA:OR和AND都可以发生增减,灵活但有局限(缺陷)
Logical Symbols 逻辑符号¶
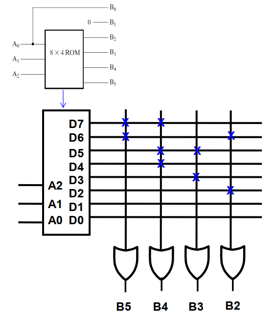
Read Only Memory 只读内存¶
Read Only Memory(ROM) or Programmable Read Only Memory(PROM)
实际使用用例
3bit输入的平方计算 \(B[5:0]=A[2:0]\times A[2:0]\)
Programmable Array Logic 可编程阵列逻辑¶
The PAL is the opposite of the ROM , having programmable set of ANDs combined with fixed ORs.
由于与门的 fan-in 有限,所以 不可能将所有minterm表示 ,这就导致有些function可能做不到,这个缺点可以由将输出接回输入的方式解决:
Programmable Logic Array 可编程逻辑阵列¶
- 优点:
- 灵活,能完成对 ROM 和 PAL 来说 impractical 的函数
- 缺点:
- 与门的数量限制了应用
- 需要多余的外部连接来进行多层次的电路设计,且优化变得复杂
因此通常会在后面加一个异或门(决定是否要对结果取非)来增加与门表示的product的种类
Field-Programmable Gate Arrays (FPGA)¶
Lookup Table(LUT)¶
通过组合多路选择器来选择要输出的真值表的值:
Configurable Logic Block (CLB)¶
FPGA基本的逻辑单元
由于LUT中的Storage Cells是不稳定的,我们需要在里面使用PROM来永久保存data.
总结¶
Example 将格雷码转换成二进制码,用四种可重编程元器件实现:
- <1> ROM
- <2> PAL
- <3> PLA
- <4> FPGA


















