Chapter 4 Sequential Circuits¶
约 2260 个字 预计阅读时间 11 分钟
Part 1 Storage Elements and Sequential Circuit Analysis¶
Introduction of Sequential Circuits 时序电路的介绍¶
一个时序电路包含:
- Storage Elements:
- Latches or Flip-Flops 锁存器或触发器
- Combinational Logic
时序电路的种类:
- Synchronous 同步时序电路
- 根据时钟信号的变化来更新输出的值 更加可控
- Asynchronous 异步时序电路
- 每当输入的状态改变,立刻更新输出的值 变化更快
锁存器¶
Latch 的条件
- 拥有两个稳定的状态,0和1
- 能够长时间维持稳定态
- 在特定的情况下能够改变状态
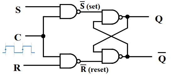
通过加上时钟信号作为使能,可以组成Synchronous的门控锁存器 Clocked S-R Latch
以上两种锁存器都存在一个问题,就是对于S/R某种输入存在不确定状态,并有可能产生介稳态(metastable state)
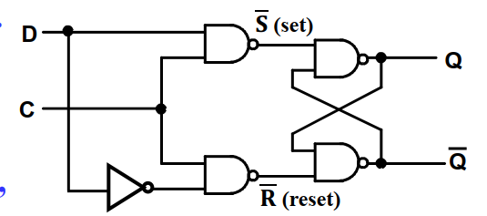
为了消除这种不确定,一种解决方法是限定锁存器的输入状态,由此构成了 D-Latch
| C | D | Q(t+1) |
|---|---|---|
| 0 | X | No change |
| 1 | 0 | 0: Clear Q |
| 1 | 1 | 1: Set Q |
只有当 C 为1时,D锁存器才能写入数据;而当 C 为0时,D锁存器的数据不会变化
Transparennt
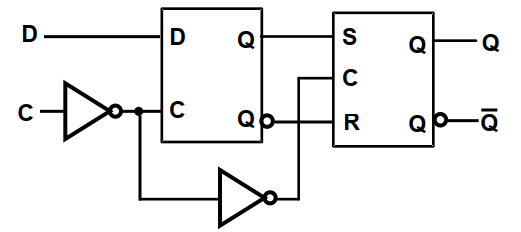
在实际使用过程中,可能会遇到一个storage element连接到另一个storage element,然后另一个storage element又重新连接回原来的storage element,即在combinational logic中一个storage element的输入输出可能会相连。
但是如果\(\overline{Q}\)与D相连,在clock时钟信号有效的时间内,Q的值可能会多次变化,导致我们无法确定C置0时Q的输出是什么。这就是我们常说的空翻现象
触发器¶
为解决上述空翻问题,我们引入触发器
- Master-Slave flip-flops 主从触发器
- Edge-triggered flip-flops 边缘触发触发器
这样子当C置0时,Slave从Master中读取数据,而Master的数据是固定不变的,不会产生变化
但是其实主从触发器仍然存在问题,当S和R均置0时,如果出现0-1-0glitch(S或R输入短暂跳为1),会导致Slave写入异常数据,这被称为1s-catching。
为了避免1s-catching,可以使用边缘触发触发器,它只保存了电位变化瞬间的那个数据,大大减小了危害。
Flip-Flop Timing Parameters¶
- 为了保证数据能够成功存储在触发器中, 在边沿触发前需要有一小段Setup time (\(t_s\))
- 为了保证数据能够在触发后稳定保持并由时钟信号取样,在边沿触发后需要由一小段Hold time (\(t_h\))
- 二者合起来称为Flip-Flop的Setup hold window,这段时间需要保证数据是稳定的
Sequential Circuit Analysis¶
主要包括:
- Generating the functionality by using state table , state diagram , input/output Boolean equations .
- Determining the timing constraints that a sequential circuit must ba satisfied in order to prevent metastability .
分析功能¶
- Step 1 列出
input equations,next state equationsandoutput equations
- Step 2 根据等式列出
State Table
- Step 3 画出
State Diagram
如果存在两个状态,当他们对于相同的输入,输出均相同且转移到相同的状态,则这两个状态是 equivalent 的,需要我们手动优化。
分析时间¶
The ultimate goal of timing analysis is to determine the maximum clock frequency of the circuit.
在分析中,常见的Timing Constraints Components 有:
- \(t_p\) - clock period - 时钟周期的间隔
- \(t_{pd,FF}\) - flipflop propagation delay - 从
clock edge到flip-flop output稳定下来所需要的时间 - \(t_{pd,COMB}\) - combinational logic delay - 从触发器输出到返回输入路径上所有组合逻辑的传播延迟
- \(t_s \& t_h\) - flipflop setup time & hold time
- \(t_{slack}\) - extra time in the period - 松弛时间,一般不加
- For every Flip-flop \(t_p\ge t_{slack} +(t_{pd,FF} +t_{pd,COMB}+ t_s)\)
- For whole circuit , \(t_p' \ge max\{t_p\}\)
- 一般分析实例中 \(t_h\) 小于 \(t_{pd,FF}\)
Part 2 Sequential Circuit Design¶
设计一般步骤:
- Specification - 确定输入/输出,并建立model描述系统的行为
- Formulation - 得到状态图(Mealy Diagram更好),注意电路的初始状态,并由此得到状态表
- State Minimization - 根据表进行优化,可以消去重复的状态
- State Assignment - 给每个状态分配一个编码(
Counting Order,Grey Code,One-hot Code) - Equation - 利用卡诺图等方式得到并优化输入输出方程
设计实例 1 Sequence Recognizer¶
检测序列中的 1101 串
- 由此得到Mealy Model:
- 再根据图得到State Table
| Present State | Next State x=0 | Next State x=1 | Output x=0 | Output x=1 |
|---|---|---|---|---|
| A | A | B | 0 | 0 |
| B | A | C | 0 | 0 |
| C | D | C | 0 | 0 |
| D | A | B | 0 | 1 |
- 编码
- 通常使用D触发器来作为时序元件,其中D触发器的input通常为Next State的值,即\(D(t)=Y(t+1)\)
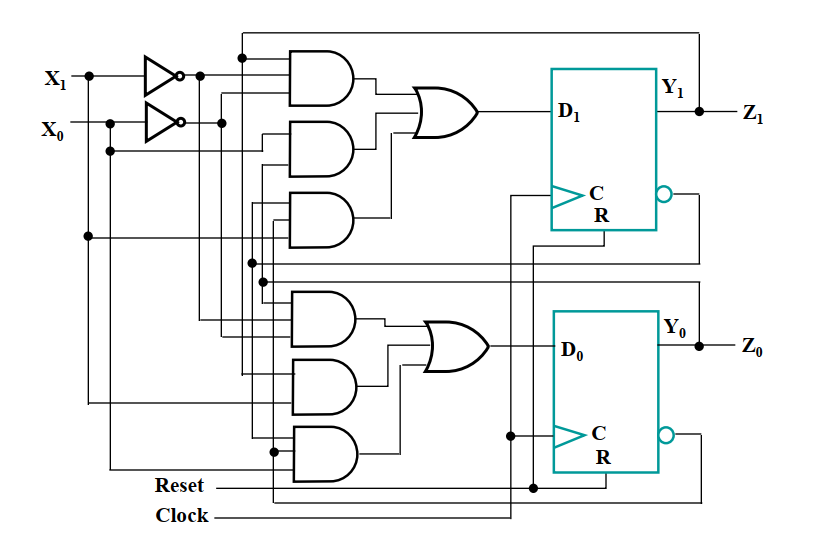
设计实例 2 Modulo 3 accumulater for 2-bit operands¶
余三累加器
-
Specification
- Input: \((X_1, X_0)\)
- Stored SUM: \((Y_1, Y_0)\)
- Ouput: \((Z_1 ,Z_0) =(X_1, X_0) +(Y_1, Y_0)\) (Mealy Model) or \((Z_1 ,Z_0) =(Y_1, Y_0)\) (Moore Model)
-
Formulation
本例采用Moore Model进行演示
- Find equation and optimize
- 最终电路
其它触发器¶
J-K Flip-flop¶
- 与SR-FlipFlop功能基本相同,但是 允许 J=K=1 ,并且J、K均为1时输出反转
| J | K | Q(t+1) | Operation |
|---|---|---|---|
| 0 | 0 | Q(t) | No change |
| 0 | 1 | 0 | Reset |
| 1 | 0 | 1 | Set |
| 1 | 1 | ~Q(t) | Complement |
也可以转换成 excitation table (时序电路设计时要用到)
| Q(t) | Q(t+1) | J | K |
|---|---|---|---|
| 0 | 0 | 0 | X |
| 0 | 1 | 1 | X |
| 1 | 0 | X | 1 |
| 1 | 1 | X | 0 |
T Flip-flop (Toggle)¶
- Has a single input
T- For
T = 0,no change to state - For
T = 1,changes to opposite state
- For
- 相当于JK触发器 J=K=T的情况
| T | Q(t) | Q(t+1) | Operation |
|---|---|---|---|
| 0 | 0 | 0 | No change |
| 0 | 1 | 1 | No change |
| 1 | 0 | 1 | Complement |
| 1 | 1 | 0 | Complement |
由表可以得到:
- \(Q(t+1)=T\oplus Q(t)\)
- \(T=Q(t)\oplus Q(t+1)\)
















































